Koozer 450 5x100, 5x135 QR 6 Vida Disk 8-11s HG Mtb Göbek Seti Turuncu

0.0 Puan - 0 Yorum
5.950,00TL
*1.075,96 TL den başlayan taksitlerle!
Kategori
Marka
Stok Kodu
SB1000220043343
Stok Durumu
Stokta Var
Havale
5.652,50 TL (%5,00 havale indirimi)
Saat 14:00'a Kadar Olan Siparişler Aynı Gün Kargoda
Seçenekler
Ücretsiz Kargo

Koozer 450 MTB Göbek Seti

QR Uyumlu – 5×100 mm Ön / 5×135 mm Arka

Detaylı Teknik Ürün Açıklaması

Koozer 450 MTB göbek seti, klasik QR (quick release) kadro ve maşalar için tasarlanmış, yüksek dayanım ve hızlı kavrama sunan performans odaklı bir göbek setidir. Güçlü tırnak yapısı, endüstriyel rulman sistemi ve kaliteli malzeme seçimi sayesinde hem günlük kullanım hem de agresif arazi sürüşlerinde güvenilir performans sağlar.

Gövde ve Malzeme Yapısı

  • Göbek gövdesi, CNC işlenmiş AL6061 alüminyumdan üretilmiştir. Hafif olmasına rağmen yüksek rijitlik sunar.
  • Yüzeyde uygulanan anodize kaplama, aşınma ve korozyona karşı ekstra koruma sağlar.
  • Aks kısmında kullanılan Cr-Mo (Krom-Molibden) çelik, QR sistemlerde oluşabilecek burulma ve esnemeye karşı yüksek mukavemet sunar.
  • Serbest göbek (freehub) gövdesi AL7075 alüminyumdan üretilmiş olup, kaset dişlerinde oluşabilecek deformasyonu minimuma indirir.

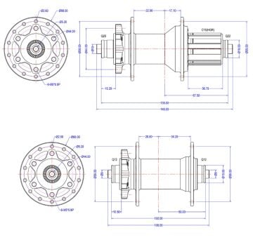
Aks Ölçüleri ve Uyumluluk

  • Ön Göbek: 5×100 mm QR
  • Arka Göbek: 5×135 mm QR
  • Klasik MTB kadro ve maşalarla sorunsuz uyum sağlar.

Rulman Sistemi (Numaralı – Endüstriyel)

Koozer 450, bakım ihtiyacı düşük ve uzun ömürlü sızdırmaz endüstriyel rulman sistemine sahiptir.

Yer Rulman Tipi Adet
Ön Göbek 18307 2
Arka Göbek (Gövde) 6902 2
Serbest Göbek (Freehub) 6802 2

Toplam: 6 adet endüstriyel rulman – Düşük sürtünme, sessiz çalışma ve uzun servis ömrü sağlar.

Serbest Göbek & Tırnak (Pawl) Mekanizması

  • Tırnak Sayısı: 6
  • Kavrama Sayısı: 120 klik
  • Avantajları:
    • Pedala anında tepki
    • Teknik tırmanışlarda yüksek kontrol
    • Ani hızlanmalarda güçlü güç aktarımı
    • Yüksek hub sesi

XC ve Trail sürüşlerde ciddi performans avantajı sağlar.

Kaset Uyumluluğu

C10-HG: Shimano HG (8 / 9 / 10 / 11 vites)

  • HG Freehub, Shimano ve SRAM uyumlu bir standarttır.
  • Shimano HG Kasetler: 8, 9, 10 ve 11 vitesli HG kasetler
  • SRAM Kasetler: 8, 9,10,11 ve 12 vitesli HG,PG kasetler (11 ve 12 vites SRAM için XD freehub gerekir)

Dikkat: HG freehub gövdesi SRAM XD / Micro Spline kasetlerle uyumlu değildir.

Diğer Teknik Özellikler

  • Fren Uyumu: Disk fren – 6-Bolt
  • Tel Deliği: 28H/32H/36H (seçenek kısmından seçiniz)
  • Kullanım Alanı: MTB (XC / Trail / Günlük sürüş)
  • Renk: Turuncu anodize

Paket İçeriği

  • 1 Set Koozer 450 5x100, 5x135 QR 6 Vida Disk 8-11s HG Mtb Göbek Seti Turuncu
  • 1 Set QR mandal
Bu ürüne ilk yorumu siz yapın!
FİRMAYA TSKLER TAVSİYE EDERİM
T... Ç... | 18/05/2026
Valla Efsane Bir Mağza Bulamadığım Parça Vesaire Yok Ve Kargolar Aşırı Hızlı, Kargolar Sorunsuz Güvenli geliyor Ürünlerde Hiç Bir sorun yok. 10/10 gönül rahatlığıyla Alışverişinuzi Yapabilirsiniz
B... A... | 12/05/2026
Tasarım güzel. Aradığımı rahatlıkla bulabildim.
M... B... | 11/05/2026
Sorunsuz bir şekilde teslim aldım. Her zamanki gibi mükemmel paketleme. Tekrar teşekkürler
Tekin Onur İpçi | 06/05/2026
Hızlı kargo güvenilir ve sağlam paketleme beğendiğim için bir tane daha sipariş vereceğim
Kerem ÇALIKOĞLU | 30/04/2026
Kusur yok çok iyi
S... K... | 28/04/2026
3 x 8 vites ve 8li Zincir ile çak iyi çalıştı kare mil göbekten sonra hollowtech 2 Göbek aynakol çok iyi oldu. Ayrıca çok hızlı teslim edildi !
B... S... | 25/04/2026
Favori bisikletçim sipariş verdikten sonraki gün kargom elime ulaşıyor üründe gayet sağlam şişman bisiklet güvenilirliği ve kalitesini takdir eder iyi günler dilerim
Hasan Çetin | 23/04/2026
Site sağlam
Enis EMRE | 22/04/2026
Firma 'dan 2 defa alışveriş yaptım, ikisinde de memnun kaldım.
B... C... | 12/04/2026

Bisiklet Markasını Seçerek İlerleyin!

Binlerce bisiklet seni bekliyor.

sismanbisiklet.com

Şişman Bisiklet olarak, her seviyeden bisiklet kullanıcısına hitap eden geniş ürün yelpazemizle kaliteli, güvenilir ve uygun fiyatlı alışveriş deneyimi sunuyoruz. Dağ bisikleti, şehir bisikleti, yol bisikleti, elektrikli bisiklet modelleri ve tüm bisiklet yedek parçalarını tek çatı altında bulabilirsiniz.

Sürüş keyfinizi artırmak için dünyanın önde gelen markalarına ait bisiklet ekipmanları, aksesuarlar ve teknik parçaları sizlerle buluşturuyoruz. Profesyonel sporcular, amatör sürücüler ve günlük kullanım için bisiklet arayan herkes için doğru ürünü kolayca seçebileceğiniz detaylı ürün açıklamaları ve uzman desteği sunuyoruz.

Hızlı kargo, güvenli ödeme seçenekleri, satış sonrası teknik destek ve müşteri memnuniyeti odaklı hizmet anlayışımız sayesinde bisiklet alışverişinizi güvenle gerçekleştirebilirsiniz.

Şişman Bisiklet ile ister şehir içinde konforlu sürüşün keyfini çıkarın, ister doğada performansınızı zirveye taşıyın. İhtiyacınız olan tüm bisiklet modelleri, yedek parçalar ve aksesuarlar en avantajlı fiyatlarla sizleri bekliyor.

bisiklet mağazası, bisiklet satış, dağ bisikleti fiyatları, bisiklet yedek parça, elektrikli bisiklet, bisiklet aksesuarları, online bisiklet mağazası

Koozer 450 5x100, 5x135 QR 6 Vida Disk 8-11s HG Mtb Göbek Seti Turuncu 5.950,00 TL, Koozer 450 5x100, 5x135 QR 6 Vida Disk 8-11s HG Mtb Göbek Seti Turuncu, shimano, şişman, bisiklet SB1000220043343
Koozer 450 5x100, 5x135 QR 6 Vida Disk 8-11s HG Mtb Göbek Seti Turuncu

Tavsiye Et

*
*
*
Hoş Geldiniz
Hızlı ve güvenli alışverişe giriş yapın!
Henüz Üye Değil Misiniz?
Kolayca üye olabilirsiniz!
ideasoft e-ticaret paketleri ile hazırlandı.